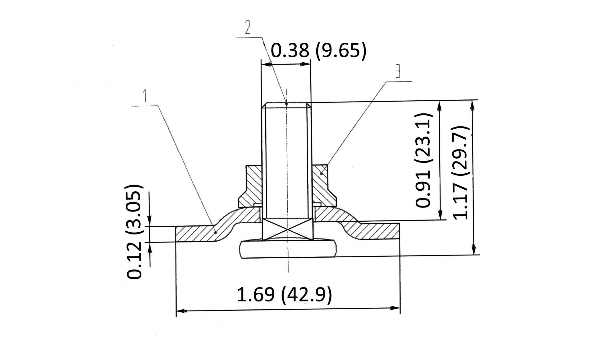
STUD FITTING WITH NUT
0° Vertical Breaking Strength: 5,000 LBS (2,272 KGS)
Working Load Limit: 1,666 LBS (757 KGS)
Weight: 0.10 LBS
$3.41
Buy Now <span class="ts-tooltip button-tooltip">Compare</span>This is your first visit 🎉
Select at least 2 products
to compare