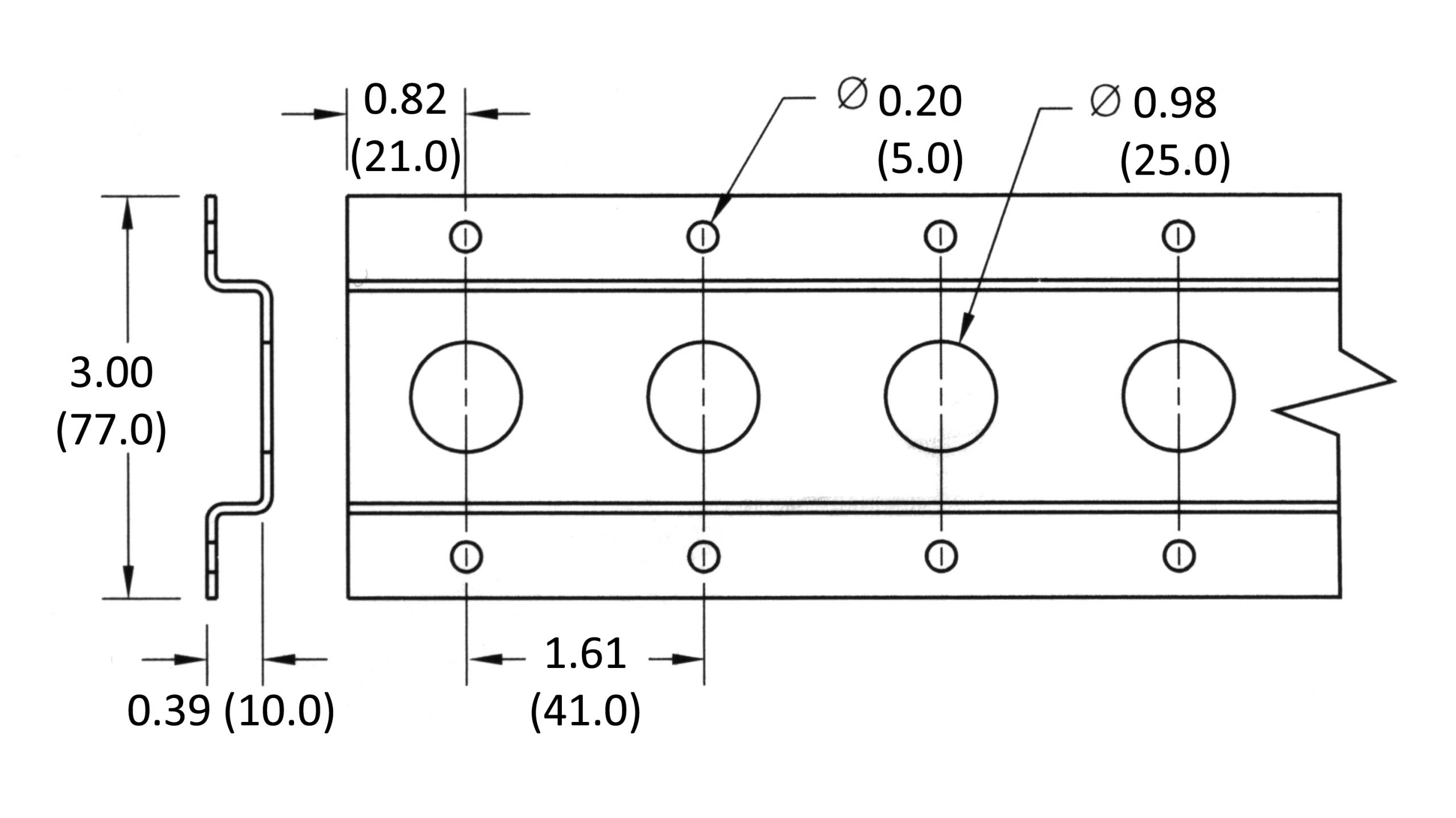
F-TRACK WITH 1″ ROUND HOLE – HORIZONTAL – 10 FT
-
- 1” round hole F-Track is designed to accept F end fitting, shoring bars with 1” round plug
- This track may be installed with screws or rivets
- Finished: Galvanized steel
- Minimum Yield: 50,000 psi.
- 14 gauge steel
- Weight 7.8 LBS












